
Gehen uns die Ausgabepins an unserem Raspi aus, können wir einfach und preisgünstig mit einem oder mehreren Schieberegistern die Pinanzahl erhöhen.
Pro Schieberegister können wir 8 weitere Pins hinzufügen.
Zum Anschließen von weiteren 8 Pins werden lediglich einmalig 3 freie Pins am Raspi benötigt.
Wie eine Schieberegister funktioniert, könnt Ihr unter „Schieberegister – Was ist das? [1]“ nachlesen.
In diesem Beitrag zeige ich Euch, wie Ihr ein Schieberegister über das SPI-Bussystem anschließen könnt und gehe auf den Schaltplan ein.
Danach erweitern wir noch unser Schieberegister um ein weiteres Register.
Zuerst einmal die Liste der Bauteile die wir benötigen:
- 1-2 Schieberegister Typ 74HC595 [2]
- 8-16 Widerstände 1kΩ [3]
- 8-16 LEDs (rot, gelb, oder grün) [4]
- Kabel
- Breadboard
Alle notwendigen Bauteile im Warenkorb Reichelt anzeigen:
https://www.reichelt.de/my/1273677 [5]
Dann sollten wir schauen, dass wir auf unserem Raspi Python-Dev und die GPIO-Library installiert haben.
In der Konsole geben wir folgende Befehle ein:
|
1 2 3 4 |
sudo apt-get update sudp apt-get upgrade sudo apt-get install python-dev sudo apt-get install python-rpi.gpio |
Beginnen wir mit dem Schaltplan:
Fangen wir von hinten an. Pin QA – QH sind unsere 8 Ausgabepins, an die wir jeweils 8 Vorwiderstände und 8 LEDs anschließen.
Der Pin 9 „QH*“ ist in diesem Schaltplan nicht belegt. Dieser Pin leitet den seriellen Input an ein weiteres vorhandenes Schieberegister.
Der Pin 14 „SER“ (in einigen Datenblättern auch SI oder DS genannt) ist der serielle Input. An diesem Pin werden wir Bit für Bit den gewünschten Zustand in das Schieberegister übertragen.
Das Schieberegister verfügt über einen Zwischenspeicher und erst durch ein Freischalten werden alle Bits in einem Rutsch an die Ausgabepins weitergleitet.
Pin 11 „SCK“ (alias SHCP, SRCLK) ist der ShiftRegisterClock-Pin, der dafür sorgt, dass durch eine LH-Flanke (Ein Zustandswechsel von Low nach High wird als Flanke bezeichnet) alle Bits im Register um jeweils eine Stelle verschoben werden und das am PIN 14 „SER“ anliegende Bit in das Schieberegister aufgenommen werden kann. Das geschieht so lange, bis das oder die Register (bei mehreren) voll sind.
Die Flankenwechsel, so wie das Übertragen der einzelnen Bits werden wir von unserem Arduino aus übernehmen, genau so wie das Kopieren aller Bits des Zwischenspeichers an die Ausgabe, wofür ein weiterer LH-Flankenwechsel am Pin 12 „RCK“ (alias STCP (StoreClockPin), RCLK) Register Clock ausgeführt wird, damit dies geschieht.
Pin 13 „G“ (alias OE) Open enabled ist ein Low-Aktiver Pin. Dies erkennt man daran, dass im Datenblatt über dem G ein Strich ist. Low-Aktiv heißt, wenn wir die Ausgabepins des Bausteins nutzen wollen, müssen wir ihn aktivieren und somit den Pin mit GND verbinden.
Pin 10 „SCLR“ (alias SRCLK, MR) ist der StoreClockPin-Reset oder auch MasterReset-Pin genannt. Dieser Pin ist ebenfalls Low-Aktiv und resettet das gesamte Register. Das wollen wir nicht, also müssen wir den Pin mit +5V verbinden.
Pin 8 „GND“ und Pin 16 „VCC“ sollten klar sein.
So, jetzt setzen wir den Schaltplan auf unserem Breadboard um, das sollte dann in Etwa so aussehen:
Beachtet, dass ich als Vorwiderstand 1kΩ gewählt habe. Der Grund ist, dass das Schieberegister auf allen Pins eigentlich nur insgesamt 70mA (8,75mA pro Pin) verträgt. Bei sehr vielen Seiten im Netz ignoriert man das.
Das Bauteil läuft auch wenn wir jede LED mit 18mA (insgesamt 144mA) pro Pin betreiben, aber damit liegen wir mit dem doppelten Wert weit drüber und auf Dauer ist das keine gute Idee.
Mit 1kΩ haben wir rund 6mA pro LED und bleiben im Rahmen.
Lösungen, um das Problem zu umgehen könnt Ihr auch unter „Schieberegister – Was ist das? [1]“ nachlesen.
Es gibt beispielsweise preisgünstige Darlington-Arrays in IC-Form, um höhere Lasten ordnungsgemäß betreiben zu können.
Hier ist ein Pinbelegungsplan des Raspis. Wenn Ihr nicht wisst, auf welcher Seite der Pin 1 ist, dann schaut auf die Rückseite der Platine.
Pin 1 ist der einzige Pin, der auf einem viereckigen Lötpad angelötet ist und nicht auf einem runden Pad.
So, jetzt brauchen wir nur noch ein kleines Python-Script, um unsere Schaltung ausprobieren zu können:
|
1 |
nano schieberegister.py |
|
1 2 3 4 5 6 7 8 9 10 11 12 13 14 15 16 17 18 19 20 21 22 23 24 25 26 27 28 29 30 31 32 33 |
#!/usr/bin/env python import RPi.GPIO as IO # um die Pins ansteuern zu koennen, brauchen wir die Lib import time # fuer die Delays benoetigen wir die time-Lib IO.setwarnings(False) # Keine Warnungen anzeigen IO.setmode(IO.BCM) # Programmiermodus, um die Pins zu setzen IO.setup(4,IO.OUT) # Setze Pin 4 als Ausgang (SER) IO.setup(5,IO.OUT) # Setze Pin 5 als Ausgang (SCK) IO.setup(6,IO.OUT) # Setze Pin 6 als Ausgang (RCK) while 1: # unendliche Schleife for y in range(8): # Schleife wird 8Mal (8bit) ausgefuehrt IO.output(4,1) # eine 1 an den seriellen Input senden time.sleep(0.1) # 100ms warten IO.output(5,1) # SCK-Pin auf High ziehen, damit das Register anfaengt die Bits um eine Stelle zu verschieben time.sleep(0.1) # 100ms warten IO.output(5,0) # SCK_Pin wieder auf LOW ziehen IO.output(4,0) # Das Datenpin loeschen IO.output(6,1) # RCK auf HIGH setzen, damit das Register zur Ausgabe kopiert wird time.sleep(0.1) # 100ms warten IO.output(6,0) # RCK wieder auf LOW setzen for y in range(8): # Schleife wird 8Mal (8bit) ausgefuehrt IO.output(4,0) # eine 0 an den seriellen Input senden time.sleep(0.1) # 100ms warten IO.output(5,1) # SCK-Pin auf High ziehen, damit das Register anfaengt die Bits um eine Stelle zu verschieben time.sleep(0.1) # 100ms warten IO.output(5,0) # SCK_Pin wieder auf LOW ziehen IO.output(4,0) # Das Datenpin loeschen -> eine 0 senden IO.output(6,1) # RCK auf HIGH setzen, damit das Register zur Ausgabe kopiert wird time.sleep(0.1) # 100ms warten IO.output(6,0) # RCK wieder auf LOW setzen |
Wir setzen nun das Flag, um das Script ausführbar zu machen und starten es im nächsten Schritt. (Da wir Root-Rechte brauchen um auf die Pins zugreifen zu können, müssen wir das Script mit sudo starten.):
|
1 2 |
chmod u+x schieberegister.py sudo ./schieberegister.py |
Mit einem anderen Script lassen wir eine ganz bestimmte LED-Kombination leuchten:
|
1 |
nano schieberegister_2.py |
|
1 2 3 4 5 6 7 8 9 10 11 12 13 14 15 16 17 18 19 20 21 22 23 24 25 26 27 28 29 30 |
#!/usr/bin/env python import RPi.GPIO as IO # um die Pins ansteuern zu koennen, brauchen wir die Lib import os,time # fuer die Delays benoetigen wir die time-Lib IO.setwarnings(False) # Keine Warnungen anzeigen IO.setmode(IO.BCM) # Programmiermodus, um die Pins zu setzen IO.setup(4,IO.OUT) # Setze Pin 4 als Ausgang (SER) IO.setup(5,IO.OUT) # Setze Pin 5 als Ausgang (SCK) IO.setup(6,IO.OUT) # Setze Pin 6 als Ausgang (RCK) out = [1,0,0,1,0,1,1,1] for y in reversed(range(0,len(out))): IO.output(4,out[y]) # eine 1 an den seriellen Input senden time.sleep(0.1) # 100ms warten IO.output(5,1) # SCK-Pin auf High ziehen, damit das Register anfaengt die Bits um eine Stelle zu verschieben time.sleep(0.1) # 100ms warten IO.output(5,0) # SCK_Pin wieder auf LOW ziehen IO.output(6,1) # RCK auf HIGH setzen, damit das Register zur Ausgabe kopiert wird time.sleep(0.1) # 100ms warten IO.output(6,0) # RCK wieder auf LOW setzen raw_input('\n\nPress Return to stop') try: IO.cleanup() except NameError: pass |
Besonderer Augenmerk auf die for-Schleife der Zeile 14. Da ein Schieberegister nach dem FIFO-Prinzip arbeitet – First in, first out, müssen wir unser out-Array (Tupel) herumgedreht in das Schieberegister reingeben, damit es auch genau so ausgegeben wird, wie wir es eingegeben haben. Daher verwenden wir die Funktion reversed().
|
1 2 |
chmod u+x schieberegister_2.py sudo ./schieberegister_2.py |
Doch was machen wir, wenn wir mehr Pins brauchen? Ganz einfach, wir kaskadieren ein weiteres Schieberegister, oder auch zwei, drei, usw. und gehen fast genau so vor.
Einziger Unterschied ist, dass wir bei zwei Schieberegistern einen größeren Adressbereich haben. Bei einem Register waren das 8Bit (2^8 = 256 entsprechen dem Datentyp int), also 8Pins, bei zwei Registern haben wir schon 16Bit (2^16 = 65536 entsprechen dem Datentyp unsigned short).
Die Datentypen sind unter Python nicht von Relevanz, da int dort keine feste Länge hat wie beispielsweise unter C, aber wissen sollte man, das man mit 8Bit und dem Zahlenbereich von 0-255 alle Zeichen der erweiterten ASCII-Tabelle darstellen kann. So steht jede Zahl für einen Steuerbefehl oder einen Buchstabenwert (beispielsweise ist 67 die Zahl 7 und 122 der Buchstabe Z).
Die Dezimalzahl, beispielsweise 122 muss dann in eine binäre Zahl, bestehend aus 0en und 1en umgewandelt werden und wir erhalten eine 8stellige binäre Zahl („01111010“).
Bei 256 wäre die Binärzahl schon 9stellig („100000000“) und würde nicht mehr in ein einzelnes Schieberegister passen. Dafür brauchen wir dann schon ein 16Bit-Register und das können wir uns ja mit zwei 8Bit-Registern problemlos aufbauen und füllen.
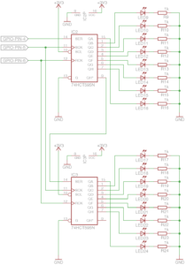
Zuerst wieder der Schaltplan:
Es hat sich nicht viel verändert. Lediglich benutzen wir nun den Pin 9 „QH*“ des ersten Schieberegisters, der den seriellen Input zum zweiten Register weiterschleift.
Das zweite Register ist zusätzlich mit PIN 11 SCK und Pin 12 RCK mit dem Raspi und dem ersten Register verbunden. Klar, denn auch hier muss ja der Arbeitstakt synchron sein mit dem ersten Register, wenn nun 16Bits durch alle Registerfelder durchgereicht werden müssen.
Dasselbe gilt für die Übergabe der Kopie des Registers an den Output, damit jedes Register seine 8Bit auf einmal ausgeben kann.
Und das Ganze wiederholt sich, je mehr Schieberegister wir in Serie aneinanderhängen.
Für zwei Schieberegister nochmal die beiden oberen Sketches ein wenig abgeändert:
|
1 |
nano schieberegister16bit.py |
|
1 2 3 4 5 6 7 8 9 10 11 12 13 14 15 16 17 18 19 20 21 22 23 24 25 26 27 28 29 30 31 32 33 |
#!/usr/bin/env python import RPi.GPIO as IO # um die Pins ansteuern zu koennen, brauchen wir die Lib import time # fuer die Delays benoetigen wir die time-Lib IO.setwarnings(False) # Keine Warnungen anzeigen IO.setmode(IO.BCM) # Programmiermodus, um die Pins zu setzen IO.setup(4,IO.OUT) # Setze Pin 4 als Ausgang (SER) IO.setup(5,IO.OUT) # Setze Pin 5 als Ausgang (SCK) IO.setup(6,IO.OUT) # Setze Pin 6 als Ausgang (RCK) while 1: # unendliche Schleife for y in range(16): # Schleife wird 8Mal (8bit) ausgefuehrt IO.output(4,1) # eine 1 an den seriellen Input senden time.sleep(0.1) # 100ms warten IO.output(5,1) # SCK-Pin auf High ziehen, damit das Register anfaengt die Bits um eine Stelle zu verschieben time.sleep(0.1) # 100ms warten IO.output(5,0) # SCK_Pin wieder auf LOW ziehen IO.output(4,0) # Das Datenpin loeschen IO.output(6,1) # RCK auf HIGH setzen, damit das Register zur Ausgabe kopiert wird time.sleep(0.1) # 100ms warten IO.output(6,0) # RCK wieder auf LOW setzen for y in range(16): # Schleife wird 8Mal (8bit) ausgefuehrt IO.output(4,0) # eine 0 an den seriellen Input senden time.sleep(0.1) # 100ms warten IO.output(5,1) # SCK-Pin auf High ziehen, damit das Register anfaengt die Bits um eine Stelle zu verschieben time.sleep(0.1) # 100ms warten IO.output(5,0) # SCK_Pin wieder auf LOW ziehen IO.output(4,0) # Das Datenpin loeschen -> eine 0 senden IO.output(6,1) # RCK auf HIGH setzen, damit das Register zur Ausgabe kopiert wird time.sleep(0.1) # 100ms warten IO.output(6,0) # RCK wieder auf LOW setzen |
Wir setzen nun das Flag, um das Script ausführbar zu machen und starten es im nächsten Schritt. (Da wir Root-Rechte brauchen um auf die Pins zugreifen zu können, müssen wir das Script mit sudo starten.):
|
1 2 |
chmod u+x schieberegister16bit.py sudo ./schieberegister16bit.py |
Unter Python muss man nicht viel ändern. Lediglich in Zeile 13 und 24 die for-Schleife von 8 auf 16 erweitern, da wir ja nun 16Bits haben, die durch zwei Schieberegister gereicht werden müssen.
Zum Schluss auch nochmal das andere Script:
|
1 |
nano schieberegister16bit_2.py |
|
1 2 3 4 5 6 7 8 9 10 11 12 13 14 15 16 17 18 19 20 21 22 23 24 25 26 27 28 29 30 |
#!/usr/bin/env python import RPi.GPIO as IO # um die Pins ansteuern zu koennen, brauchen wir die Lib import os,time # fuer die Delays benoetigen wir die time-Lib IO.setwarnings(False) # Keine Warnungen anzeigen IO.setmode(IO.BCM) # Programmiermodus, um die Pins zu setzen IO.setup(4,IO.OUT) # Setze Pin 4 als Ausgang (SER) IO.setup(5,IO.OUT) # Setze Pin 5 als Ausgang (SCK) IO.setup(6,IO.OUT) # Setze Pin 6 als Ausgang (RCK) out = [1,0,0,1,0,1,1,1,0,1,0,1,1,1,0,1] for y in reversed(range(0,len(out))): IO.output(4,out[y]) # eine 1 an den seriellen Input senden time.sleep(0.1) # 100ms warten IO.output(5,1) # SCK-Pin auf High ziehen, damit das Register anfaengt die Bits um eine Stelle zu verschieben time.sleep(0.1) # 100ms warten IO.output(5,0) # SCK_Pin wieder auf LOW ziehen IO.output(6,1) # RCK auf HIGH setzen, damit das Register zur Ausgabe kopiert wird time.sleep(0.1) # 100ms warten IO.output(6,0) # RCK wieder auf LOW setzen raw_input('\n\nPress Return to stop') try: IO.cleanup() except NameError: pass |
Hier müssen wir lediglich unser out-Muster in Zeile 12 um 8 Stellen erweitern, damit es 16Bit lang wird.
|
1 2 |
chmod u+x schieberegister16bit_2.py sudo ./schieberegister16bit_2.py |
Das war das Schieberegister 🙂




